USP Icon
Zahlung nach der Lieferung
USP Icon
Kunden bewerten Zandri mit 9
USP Icon
Mehr als 100.000 Teile im Sortiment

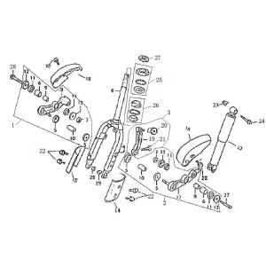
Batterie Iva Roma blau weiß

Batterie Iva Roma blau weiß
loader
Wird geladen...

Erstazteile Iva Roma Blau Weiß