USP Icon
Zahlung nach der Lieferung
USP Icon
Kunden bewerten Zandri mit 9
USP Icon
Mehr als 100.000 Teile im Sortiment

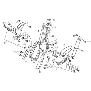
Accu Vom Bella oranje

Accu Vom Bella oranje
loader
Wird geladen...

Erstazteile Vom Bella Orange