USP Icon
Zahlung nach der Lieferung
USP Icon
Kunden bewerten Zandri mit 9
USP Icon
Mehr als 100.000 Teile im Sortiment

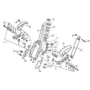
Blinklicht hinter AGM Retro nach 2013 smokey

Blinklicht hinter AGM Retro nach 2013 smokey
loader
Wird geladen...

Erstazteile AGM Retro na 2013 Smokey