USP Icon
Zahlung nach der Lieferung
USP Icon
Kunden bewerten Zandri mit 9
USP Icon
Mehr als 100.000 Teile im Sortiment

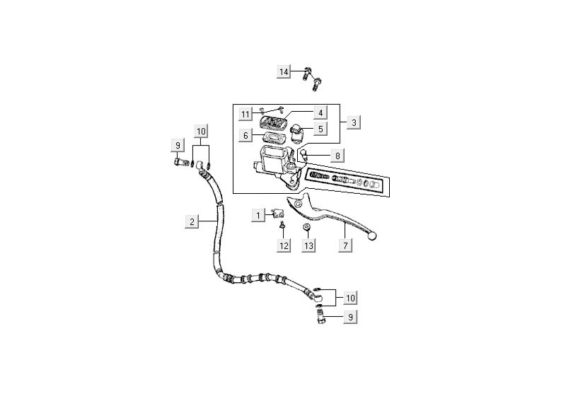
Bremsteile Kymco MXU 50

Bremsteile Kymco MXU 50
loader
Wird geladen...