USP Icon
Zahlung nach der Lieferung
USP Icon
Kunden bewerten Zandri mit 9
USP Icon
Mehr als 100.000 Teile im Sortiment

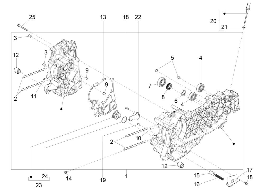
Carter Piaggio MP3 300 ie LT Business - Sport (met en zonder ABS) 2016-2018

Carter Piaggio MP3 300 ie LT Business - Sport (met en zonder ABS) 2016-2018
loader
Wird geladen...

Piaggio MP3 300 ie E4 LT BUSINESS - SPORT NOABS-ABS 2016 - 2018 (EMEA)