USP Icon
Zahlung nach der Lieferung
USP Icon
Kunden bewerten Zandri mit 9
USP Icon
Mehr als 100.000 Teile im Sortiment

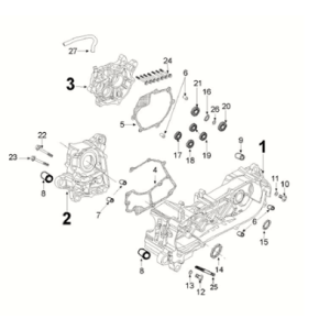
Distribution Peugeot Tweet 125 Z PRO 2021-2022

Distribution Peugeot Tweet 125 Z PRO 2021-2022
loader
Wird geladen...