USP Icon
Zahlung nach der Lieferung
USP Icon
Kunden bewerten Zandri mit 9
USP Icon
Mehr als 100.000 Teile im Sortiment

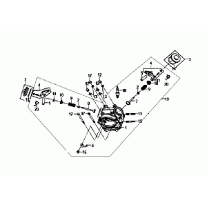
Sym Fiddle III Euro4 Elektrisches Teil

Sym Fiddle III Euro4 Elektrisches Teil
loader
Wird geladen...

Erstazteile SYM Fiddle III Euro4 matt Schwarz (BK-007U/BK-5560S)