USP Icon
Zahlung nach der Lieferung
USP Icon
Kunden bewerten Zandri mit 9
USP Icon
Mehr als 100.000 Teile im Sortiment

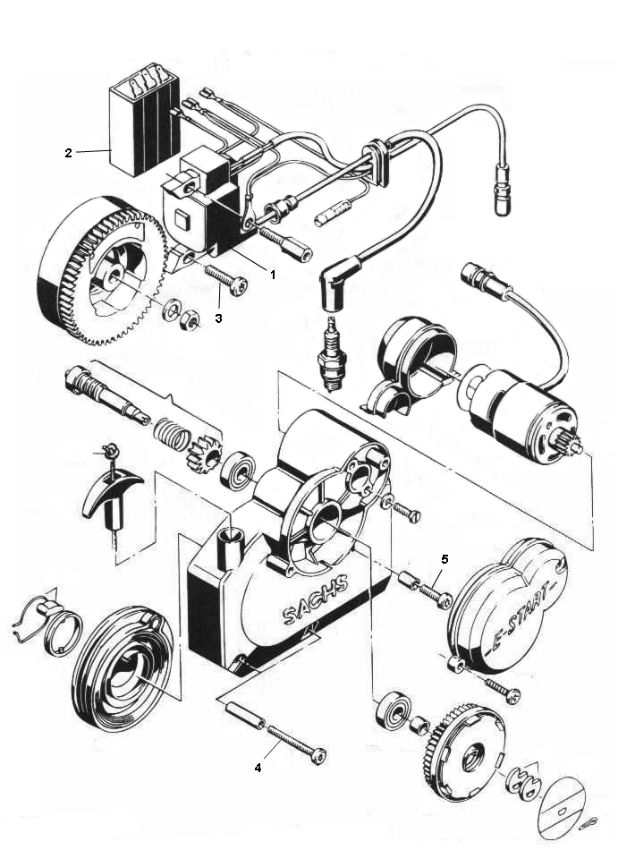
Sparta Zündung elektr. Start

Sparta Zündung elektr. Start
loader
Wird geladen...