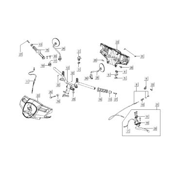
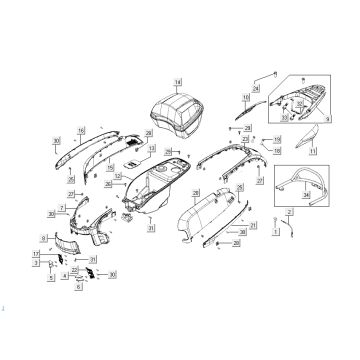
Technische Zeichnungen für Kymco Like 4-Takt Deep Ocean Blue
Klicken Sie hier auf die technischen Zeichnungen oder die Explosionszeichnung des Kymco Like 4-Takt Deep Ocean Blue, für das Sie Teile oder Zubehör suchen. Die technischen Zeichnungen des Kymco Like 4-Takt Deep Ocean Blue geben Ihnen einen klaren Überblick über die verschiedenen passenden Teile und Zubehörteile. Wenn Sie nach Ihren Teilen suchen, haben Sie immer passende Teile für Ihr Kymco Like 4-Takt Deep Ocean Blue.


