Technische Zeichnungen für Tomos Quadro 2-Takt
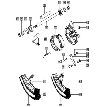
Klicken Sie hier auf die technischen Zeichnungen oder Explosionszeichnungen des Tomos Quadro 2-Takt, für den Sie Teile oder Zubehör suchen. Die technischen Zeichnungen des Tomos Quadro 2-Takt geben Ihnen einen klaren Überblick über die verschiedenen passenden Teile und das Zubehör. Wenn Sie nach Ihren Teilen suchen, haben Sie immer passende Teile für Ihren Tomos Quadro 2-Takt.
Wie finde ich Teile für deinen Tomos Quadro?
Wir können praktisch alle Teile für Ihren Tomos Quadro liefern. Wählen Sie zuerst Ihr Modell aus und sehen Sie sich dann die Zeichnung an, die Sie für benötigen. Sie können Teile aus der Zeichnung bestellen. Wenn Sie anhand dieser technischen Zeichnungen nach Teilen und Zubehör suchen, haben Sie garantiert immer die passenden Teile für Ihren Tomos Quadro!
Teile und Zubehör
Eine
große Anzahl von Teilen und Zubehör ist für alle Arten von Tomos Schnurrbart und Mopeds erhältlich. Von dieser Seite aus können Sie zu der Seite navigieren, auf der alle Teile übersichtlich nach Rollertyp angeordnet sind. Für alle Universalteile können Sie die Kategorien durchsuchen oder die Suchleiste in der oberen rechten Ecke verwenden.


