USP Icon
Zahlung nach der Lieferung
USP Icon
Kunden bewerten Zandri mit 9
USP Icon
Mehr als 100.000 Teile im Sortiment

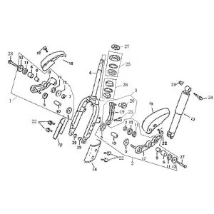
Lenkungsteile Vom Bella dunkelblau

Lenkungsteile Vom Bella dunkelblau
loader
Wird geladen...

Erstazteile Vom Bella Dunkelblau