USP Icon
Zahlung nach der Lieferung
USP Icon
Kunden bewerten Zandri mit 9
USP Icon
Mehr als 100.000 Teile im Sortiment

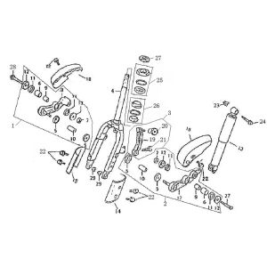
Luftfilter China Retro rosa

Luftfilter China Retro rosa
loader
Wird geladen...

Erstazteile China Grande Retro Rosa