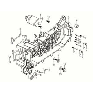
Einsatzgehäuse - Antriebswelle Sym Symphony ST 50 E5
Mein Warenkorb
Produkt im Warenkorb Produkte im Warenkorb
Zwischensumme:
Versand:
Geschätzt im nächsten Schritt
Subtotal excl Tax:
Auschecken über Ihr Konto
Als Neukunde auschecken
Ein Konto zu erstellen hat viele Vorteile: