USP Icon
Zahlung nach der Lieferung
USP Icon
Kunden bewerten Zandri mit 9
USP Icon
Mehr als 100.000 Teile im Sortiment

Motorüberzug Vom Bella blau weiß

Motorüberzug Vom Bella blau weiß
loader
Wird geladen...

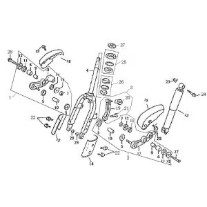
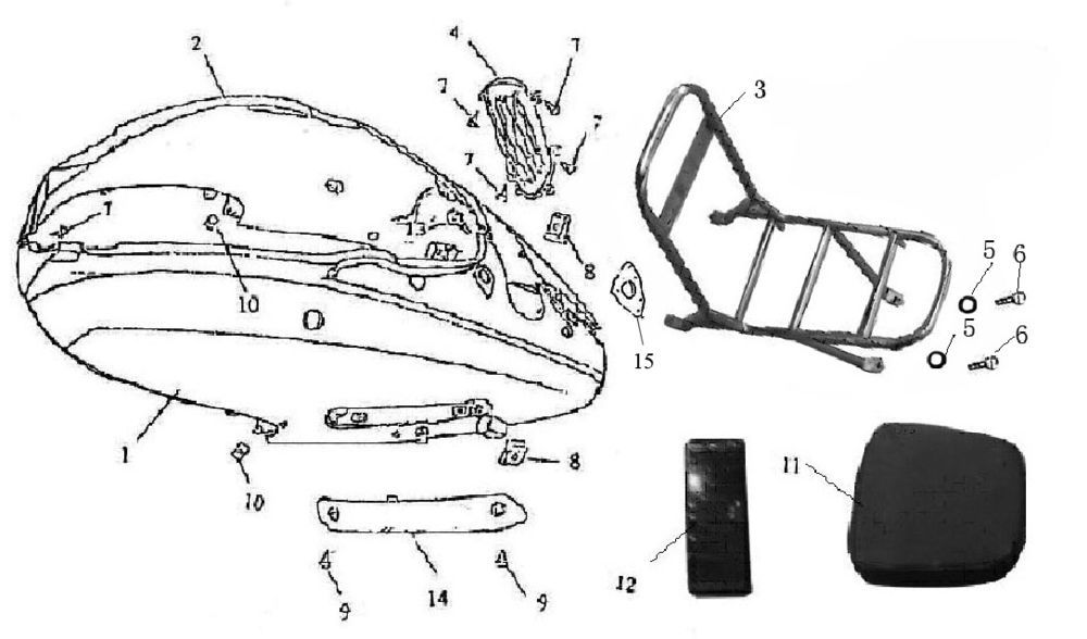
Erstazteile Vom Bella Blau Weiß