USP Icon
Zahlung nach der Lieferung
USP Icon
Kunden bewerten Zandri mit 9
USP Icon
Mehr als 100.000 Teile im Sortiment

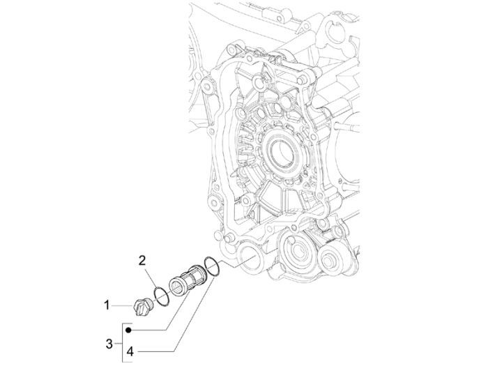
Ölfilter Vespa Primavera 4-Takt 3-Ventil (Euro4-Einspritzung iget)

Ölfilter Vespa Primavera 4-Takt 3-Ventil (Euro4-Einspritzung iget)
loader
Wird geladen...

Erstazteile Vespa Primavera 4-Takt 3V (Euro4 Einspritzung IGET) Schwarz 98/A