USP Icon
Zahlung nach der Lieferung
USP Icon
Kunden bewerten Zandri mit 9
USP Icon
Mehr als 100.000 Teile im Sortiment

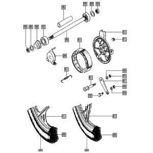
Schakel mechanisme Tomos LUXE EX (L0-L1)

Schakel mechanisme Tomos LUXE EX (L0-L1)
loader
Wird geladen...