USP Icon
Zahlung nach der Lieferung
USP Icon
Kunden bewerten Zandri mit 9
USP Icon
Mehr als 100.000 Teile im Sortiment

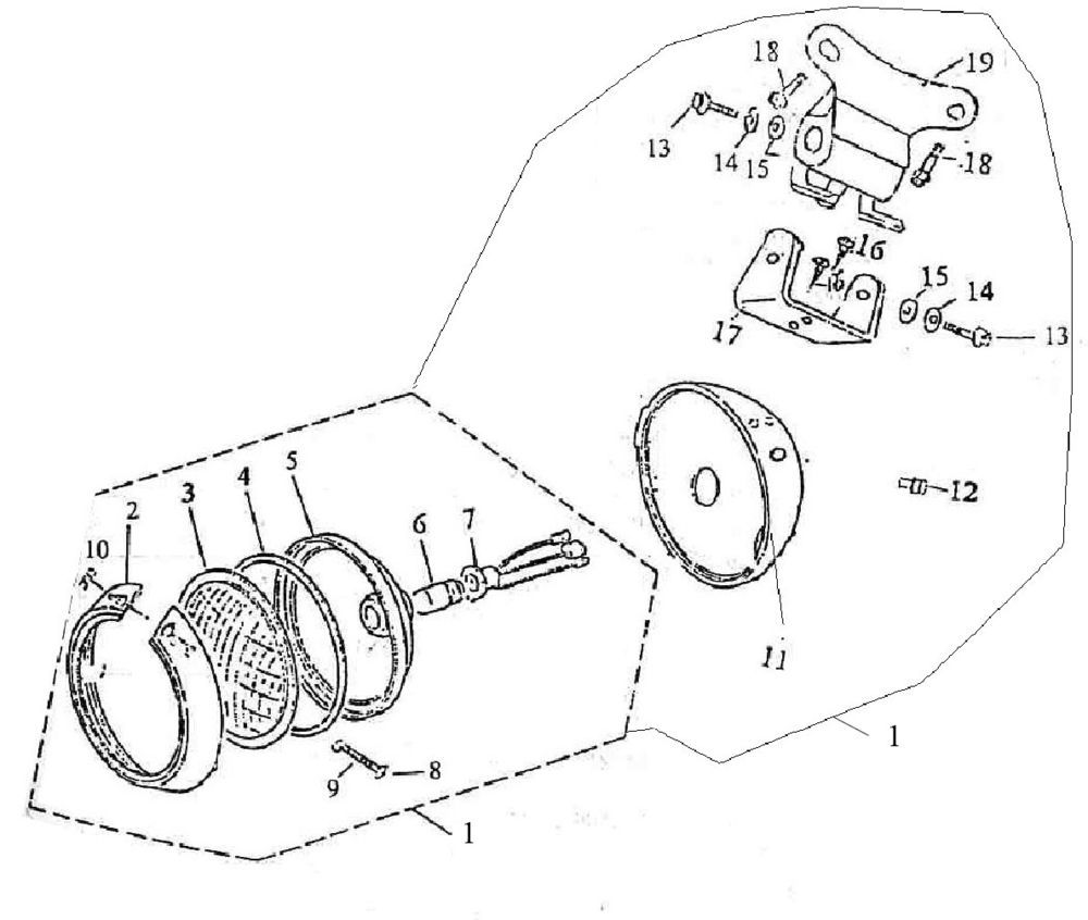
Scheinwerfer Turbo RG50 rosa

Scheinwerfer Turbo RG50 rosa
loader
Wird geladen...

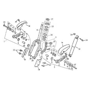
Erstazteile Turbho RG50 Rosa