USP Icon
Zahlung nach der Lieferung
USP Icon
Kunden bewerten Zandri mit 9
USP Icon
Mehr als 100.000 Teile im Sortiment

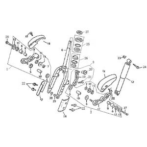
Trittbrett vom Bella rosa

Trittbrett vom Bella rosa
loader
Wird geladen...

Erstazteile Vom Bella Rosa