USP Icon
Zahlung nach der Lieferung
USP Icon
Kunden bewerten Zandri mit 9
USP Icon
Mehr als 100.000 Teile im Sortiment

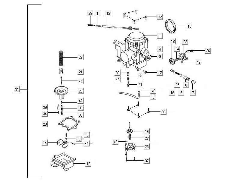
Vergaser Kymco MXU 500

Vergaser Kymco MXU 500
loader
Wird geladen...