USP Icon
Zahlung nach der Lieferung
USP Icon
Kunden bewerten Zandri mit 9
USP Icon
Mehr als 100.000 Teile im Sortiment

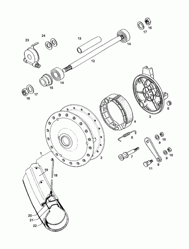
Voorwiel Tomos CLASSIC XL (L1)

Voorwiel Tomos CLASSIC XL (L1)
loader
Wird geladen...