USP Icon
Zahlung nach der Lieferung
USP Icon
Kunden bewerten Zandri mit 9
USP Icon
Mehr als 100.000 Teile im Sortiment

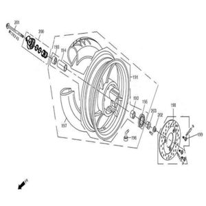
Vorderseite/cap Teile China Grande Retro blau/weiß

Vorderseite/cap Teile China Grande Retro blau/weiß
loader
Wird geladen...

Erstazteile Benda Retro Euro2 Blau/ Weiß