USP Icon
Zahlung nach der Lieferung
USP Icon
Kunden bewerten Zandri mit 9
USP Icon
Mehr als 100.000 Teile im Sortiment

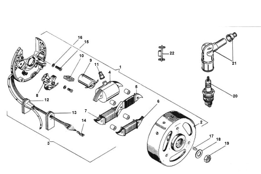
Zundapp Ignition 4 beschleunigen neuen Typ

Zundapp Ignition 4 beschleunigen neuen Typ
loader
Wird geladen...