USP Icon
Zahlung nach der Lieferung
USP Icon
Kunden bewerten Zandri mit 9
USP Icon
Mehr als 100.000 Teile im Sortiment

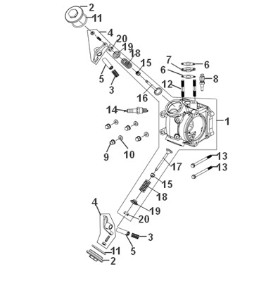
Zylinderkopf Sym Orbit III 50 E5

Zylinderkopf Sym Orbit III 50 E5
loader
Wird geladen...

Sym Orbit III Euro 5 Rich Grey (GY-430C)