USP Icon
Zahlung nach der Lieferung
USP Icon
Kunden bewerten Zandri mit 9
USP Icon
Mehr als 100.000 Teile im Sortiment

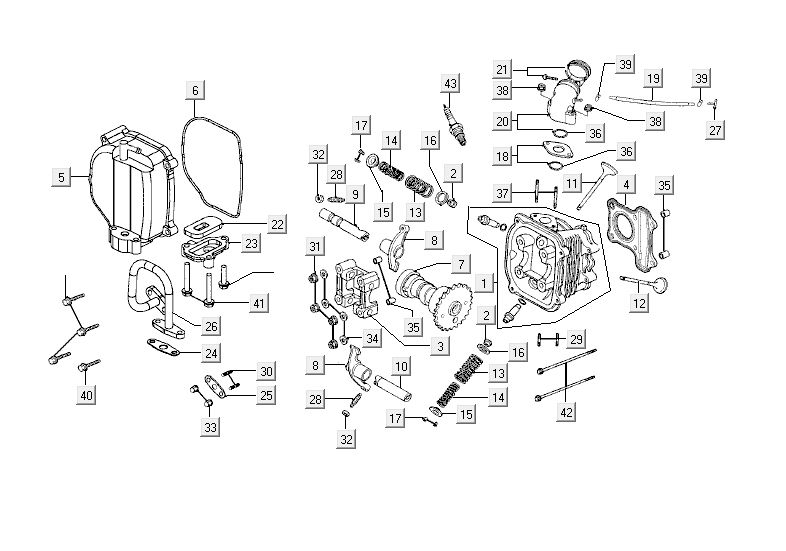
Zylinderteile Kymco Agility Fat 12' 4-Takt Eiche Metallic

Zylinderteile Kymco Agility Fat 12' 4-Takt Eiche Metallic
loader
Wird geladen...

Erstazteile Kymco Agility Fat 12 Zoll 4-Takt oak metallic