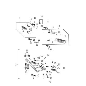
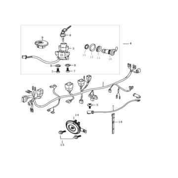
Technische Zeichnungen für Agm Caferacer Base grün
Klicken Sie hier auf die technischen Zeichnungen oder Explosionszeichnungen der Agm Caferacer Base grün für die Sie Ersatzteile oder Zubehör suchen. Die technischen Zeichnungen der Agm Caferacer Base grün geben Ihnen einen klaren Überblick über die verschiedenen passenden Teile und das Zubehör. Wenn Sie nach Ihren Teilen suchen, haben Sie immer passende Teile für Ihre Agm Caferacer Base grün.


