Technische Zeichnungen für AGM Joy anthrazit matt
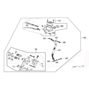
Klicken Sie hier auf die technischen Zeichnungen oder die Explosionszeichnung des Agm Joy Mat Anthracite Scooters, für den Sie nach Teilen oder Zubehör suchen. Die technischen Zeichnungen der AGM Joy-50 geben Ihnen einen klaren Überblick über die verschiedenen Beschlagteile und das Zubehör. Wenn Sie nach Ihren Teilen suchen, haben Sie immer passende Teile für Ihre AGM Joy mattanthrazit.


