Technische Zeichnungen AGM Retro Extra Mattcreme
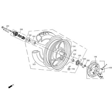
Klicken Sie hier auf die technischen Zeichnungen oder die Explosionszeichnung des AGM Retro Extra Mat Creme Scooters, für den Sie Teile oder Zubehör suchen. Die technischen Zeichnungen der AGM Retro-50 Extra geben Ihnen einen klaren Überblick über die verschiedenen passenden Teile und Zubehörteile. Wenn Sie nach Ihren Teilen suchen, haben Sie immer passende Teile für Ihre AGM Retro Extra Mattencreme.


