Technische zeichnungen AGM VX50S pantone blue
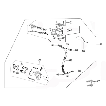
Klicken Sie hier auf die technischen Zeichnungen oder die Explosionszeichnung des blauen Pantone-Rollers AGM VX50S, für den Sie nach Teilen oder Zubehör suchen. Die technischen Zeichnungen der AGM VX50S geben Ihnen einen klaren Überblick über die verschiedenen passenden Teile und Zubehörteile. Wenn Sie nach Ihren Teilen suchen, haben Sie immer passende Teile für Ihre AGM VX50S pantone blue.


