Technische Zeichnungen für Baotian Carino Brown
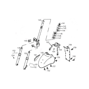
Klicken Sie hier auf die technischen Zeichnungen oder die Explosionszeichnung des braunen Baotian Carino Scooters, für den Sie nach Teilen oder Zubehör suchen. Die technischen Zeichnungen des Baotian Carino Brown geben Ihnen einen klaren Überblick über die verschiedenen Beschlagteile und das Zubehör. Wenn Sie nach Ihren Teilen suchen, haben Sie immer passende Teile für Ihr Baotian Carino Brown.


