Technische Zeichnungen für Benzhou Retro rot
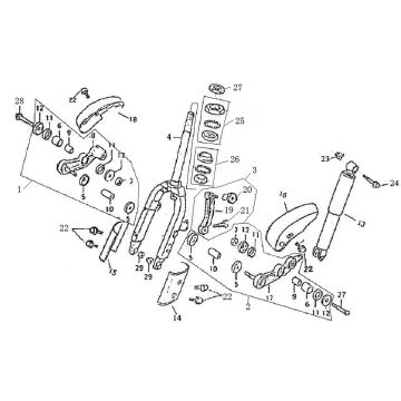
Klicken Sie hier auf die technischen Zeichnungen oder die Explosionszeichnung des Benzhou Retro Scooters, für den Sie Teile oder Zubehör suchen. Die technischen Zeichnungen des Benzhou Retro geben Ihnen einen klaren Überblick über die verschiedenen Beschlagteile und das Zubehör. Wenn Sie nach Ihren Teilen suchen, haben Sie immer passende Teile für Ihren Benzhou Retro.


