Technische Zeichnungen für BTC CEO Champagne
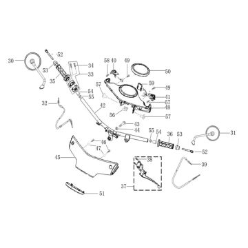
Klicken Sie hier auf die technischen Zeichnungen oder die Explosionszeichnung des BTC Ceo Champagne, für den Sie Teile oder Zubehör suchen. Die technischen Zeichnungen des BTC CEO Champagne geben Ihnen einen klaren Überblick über die verschiedenen Beschlagteile und Zubehörteile. Wenn Sie nach Ihren Teilen suchen, haben Sie immer passende Teile für Ihren BTC Ceo Champagne.


