Technische Zeichnungen für BTC Grande Retro blau weiß
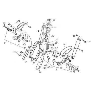
Klicken Sie hier auf die technischen Zeichnungen oder die Explosionszeichnung des BTC Grande Retro white, für den Sie Teile oder Zubehör suchen. Die technischen Zeichnungen des BTC Grande Retro white geben Ihnen einen klaren Überblick über die verschiedenen Beschlagteile und das Zubehör. Wenn Sie Ihre Teile durchsuchen, haben Sie immer passende Teile für Ihr BTC Grande Retro weiß.


