Technische Zeichnungen für BTC Riva Sport (Replikatteile)
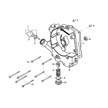
Klicken Sie hier auf die technischen Zeichnungen oder Explosionszeichnungen des BTC Riva Sport (Replikatteile), für den Sie Teile oder Zubehör suchen. Die technischen Zeichnungen des BTC Riva Sport (Replikatteile) geben Ihnen einen klaren Überblick über die verschiedenen Beschlagteile und Zubehörteile. Wenn Sie nach Ihren Teilen suchen, haben Sie immer passende Teile für Ihren BTC Riva Sport (Replikteile).


