Technische Zeichnungen für China Ape50 schwarz
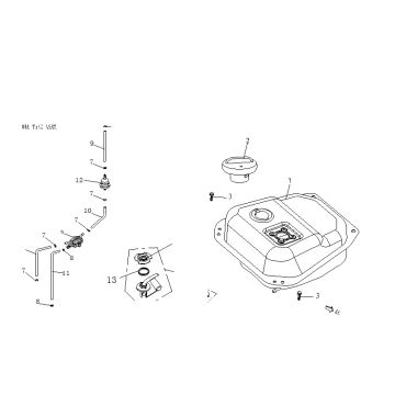
Klicken Sie hier auf die technischen Zeichnungen oder die Explosionszeichnung des schwarzen Rollers China Ape50, für den Sie nach Teilen oder Zubehör suchen. Die technischen Zeichnungen des China Ape50 black geben Ihnen einen klaren Überblick über die verschiedenen Beschlagteile und das Zubehör. Wenn Sie nach Ihren Teilen suchen, haben Sie immer passende Teile für Ihr China Ape50 schwarz.


