Technische Zeichnungen für China Grande Retro blau weiß
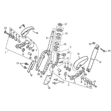
Klicken Sie hier auf die technischen Zeichnungen oder die Explosionszeichnung des blau-weißen Rollers China Grande Retro, für den Sie nach Teilen oder Zubehör suchen. Die technischen Zeichnungen des China Grande Retro blau-weiß geben Ihnen einen klaren Überblick über die verschiedenen Beschlagteile und das Zubehör. Wenn Sie nach Ihren Teilen suchen, haben Sie immer passende Teile für Ihr China Grande Retro blau weiß.


