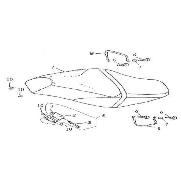
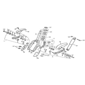
Technische Zeichnungen für China-GT-Champagner
Klicken Sie hier auf die technischen Zeichnungen oder die Explosionszeichnung des China GT Champagner-Rollers, für den Sie nach Teilen oder Zubehör suchen. Die technischen Zeichnungen des Champagners China GT geben Ihnen einen klaren Überblick über die verschiedenen Beschlagteile und Zubehörteile. Wenn Sie nach Ihren Teilen suchen, haben Sie immer passende Teile für Ihren China GT-Champagner.


