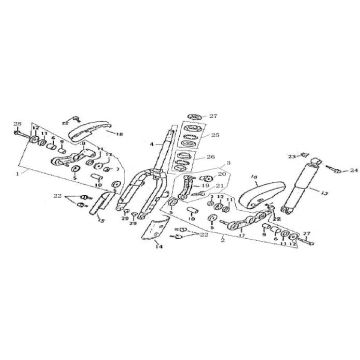
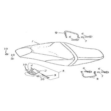
Technische Zeichnungen für China GT pink
Klicken Sie hier auf die technischen Zeichnungen oder die Explosionszeichnung des rosa Rollers China GT, für den Sie nach Teilen oder Zubehör suchen. Die technischen Zeichnungen des China GT pink geben Ihnen einen klaren Überblick über die verschiedenen Beschlagteile und das Zubehör. Wenn Sie nach Ihren Teilen suchen, haben Sie immer passende Teile für Ihr China GT pink.


