Technische Zeichnungen für China Joy /Legend anthrazit matt
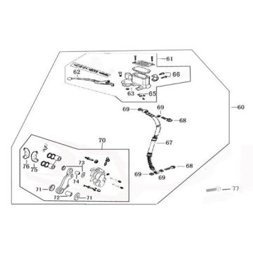
Klicken Sie hier auf die technischen Zeichnungen oder die Explosionszeichnung des China Joy Mat Anthracite Scooters, für den Sie nach Teilen oder Zubehör suchen. Die technischen Zeichnungen des China Joy/Legend mattes Anthrazit geben Ihnen einen klaren Überblick über die verschiedenen Beschlagteile und das Zubehör. Wenn Sie nach Ihren Teilen suchen, haben Sie immer passende Teile für Ihr China Joy/Legend mattes Anthrazit.


