Technische Zeichnungen für China-Retro 125cc
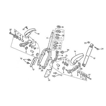
Klicken Sie hier auf die technischen Zeichnungen oder die Explosionszeichnung des China Retro 125cc Scooters, für den Sie nach Teilen oder Zubehör suchen. Die technischen Zeichnungen des China Retro 125cc geben Ihnen einen klaren Überblick über die verschiedenen Beschlagteile und das Zubehör. Wenn Sie nach Ihren Teilen suchen, haben Sie immer passende Teile für Ihren China Retro 125cc.
China Retro 125cc Teile
Der China Retro 125cc, der nur in Schwarz erhältlich ist, ist ein Roller mit vielen verschiedenen Teilen und Zubehör. Aus diesem Grund kann es schwierig sein, die richtigen Produkte dafür zu finden, aber wenn Sie unsere Zeichnungen verwenden, halten Sie die Fehlerquote minimal. Es stimmt, dass sowohl die Teile als auch das Zubehör aus den Zeichnungen immer zu 100% passen.
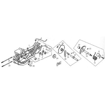
Der Motorblock
Aufgrund seines leistungsstarken, aber sicherlich sparsamen und leisen Motorblocks ist das Fahrverhalten dieses Scooters nahezu perfekt. Dieser 125-cm3-Viertaktblock bietet außerdem viel Komfort und ist sowohl für Euro 95 als auch für Euro 98 geeignet. Aufgrund seines großen und breiten Lenkers in Kombination mit dem schönen Retro-Look ist dieser Roller ein echtes Muss.


