Technische Zeichnungen für China Retro Extra matte Creme
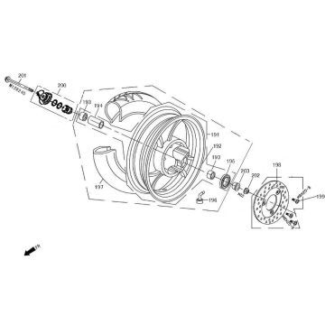
Klicken Sie hier auf die technischen Zeichnungen oder die Explosionszeichnung des China Retro Extra Mat Cream Scooters, für den Sie nach Teilen oder Zubehör suchen. Die technischen Zeichnungen der China Retro Extra Matte Cream geben Ihnen einen klaren Überblick über die verschiedenen Beschlagteile und das Zubehör. Wenn Sie nach Ihren Teilen suchen, haben Sie immer passende Teile für Ihre China Retro Extra Mattencreme.


