Technische Zeichnungen für China Star50 cremegrau
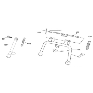
Klicken Sie hier auf die technischen Zeichnungen oder die Explosionszeichnung des cremegrauen Rollers China Star50, für den Sie Teile oder Zubehör suchen. Die technischen Zeichnungen des China Star50 cremegrau geben Ihnen einen klaren Überblick über die verschiedenen passenden Teile und das Zubehör. Wenn Sie nach Ihren Teilen suchen, haben Sie immer passende Teile für Ihr China Star50 cremegrau.


