Technische Zeichnungen für China Strada
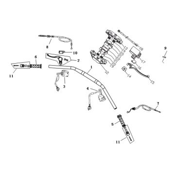
Klicken Sie hier auf die technischen Zeichnungen oder die Explosionszeichnung des China Strada Scooters, für den Sie nach Teilen oder Zubehör suchen. Die technischen Zeichnungen der China Strada geben Ihnen einen klaren Überblick über die verschiedenen Beschlagteile und das Zubehör. Wenn Sie nach Ihren Teilen suchen, haben Sie immer passende Teile für Ihre China Strada.


