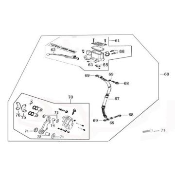
Technische Zeichnungen für Edwards Tomorrow Legend weiß
Klicken Sie hier auf die technischen Zeichnungen oder die Explosionszeichnung des weißen Rollers Edwards Tomorrow Legend, für den Sie nach Teilen oder Zubehör suchen. Die technischen Zeichnungen des Edwards Tomorrow Legend weiß geben Ihnen einen klaren Überblick über die verschiedenen passenden Teile und Zubehörteile. Wenn Sie nach Ihren Teilen suchen, haben Sie immer passende Teile für Ihr Edwards Tomorrow Legend weiß.


