Technische Zeichnungen für Edwards Maple V50-2 mattgrün
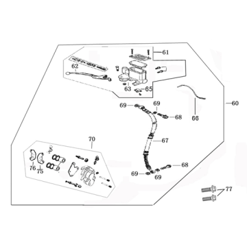
Klicken Sie hier auf die technischen Zeichnungen oder die Explosionszeichnung des mattgrünen Rollers Edwards Maple V50-2, für den Sie Teile oder Zubehör suchen. Die technischen Zeichnungen des Edwards Maple V50-2 mattgrün geben Ihnen einen klaren Überblick über die verschiedenen passenden Teile und das Zubehör. Wenn Sie nach Ihren Teilen suchen, haben Sie immer passende Teile für Ihren Edwards Maple V50-2 mattgrün.


