Technische Zeichnungen für Fosti Touring 125cc schwarz
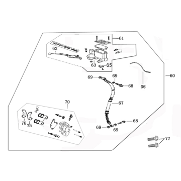
Klicken Sie hier auf die technischen Zeichnungen oder die Explosionszeichnung des schwarzen Rollers Fosti Touring 125cc, für den Sie Teile oder Zubehör suchen. Die technischen Zeichnungen des Fosti Touring 125cc schwarz geben Ihnen einen klaren Überblick über die verschiedenen Beschlagteile und das Zubehör. Wenn Sie nach Ihren Teilen suchen, haben Sie immer passende Teile für Ihren Fosti Touring 125cc schwarz.


