Technische Zeichnungen für Fosti Touring 125cc weiß
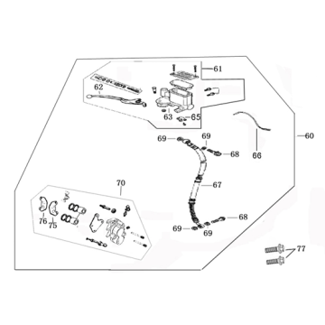
Klicken Sie hier auf die technischen Zeichnungen oder die Explosionszeichnung des weißen Rollers Fosti Touring 125cc, für den Sie nach Teilen oder Zubehör suchen. Die technischen Zeichnungen des Fosti Touring 125cc white geben Ihnen einen klaren Überblick über die verschiedenen passenden Teile und Zubehörteile. Wenn Sie nach Ihren Teilen suchen, haben Sie immer passende Teile für Ihren Fosti Touring 125cc weiß.


