Technische Zeichnungen für Fosti Touring braun
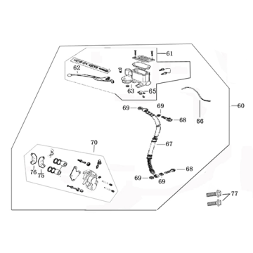
Klicken Sie hier auf die technischen Zeichnungen oder die Explosionszeichnung des braunen Rollers Fosti Touring, für den Sie nach Teilen oder Zubehör suchen. Die technischen Zeichnungen des Fosti Touring Brown geben Ihnen einen klaren Überblick über die verschiedenen passenden Teile und Zubehörteile. Wenn Sie nach Ihren Teilen suchen, haben Sie immer passende Teile für Ihr Fosti Touring braun.


