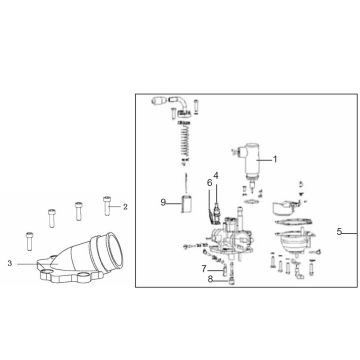
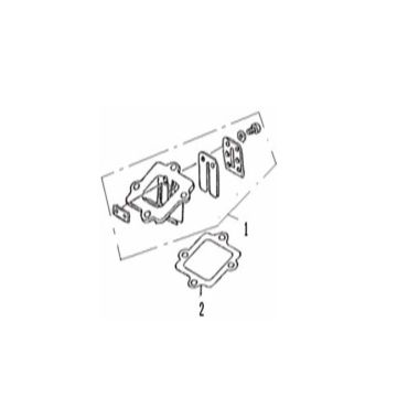
Technische Zeichnungen für Generic Ideo blue 2007 2-Takt 25
Klicken Sie hier auf die technischen Zeichnungen oder die Explosionszeichnung des Generic Ideo blue 2007 2-Takt-25-Rollers, für den Sie Teile oder Zubehör suchen. Die technischen Zeichnungen des Generic Ideo blue 2007 2-Takt 25 geben Ihnen einen klaren Überblick über die verschiedenen passenden Teile und Zubehörteile. Wenn Sie nach Ihren Teilen suchen, haben Sie immer passende Teile für Ihr Generic Ideo blue 2007 2-Takt 25.


