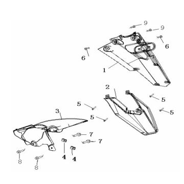
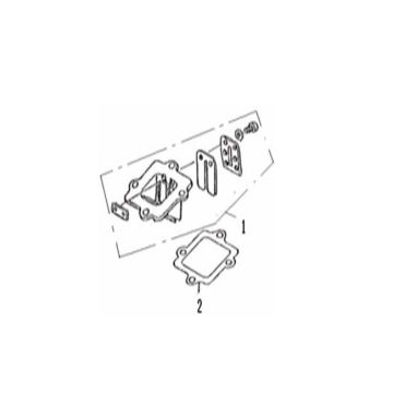
Technische Zeichnungen für Generic Roc rot 2010 2-Takt
Klicken Sie hier auf die technischen Zeichnungen oder die Explosionszeichnung des Generic Roc red 2010 2-Takt-Rollers, für den Sie Teile oder Zubehör suchen. Die technischen Zeichnungen des Generic Roc red 2010 2-Takt geben Ihnen einen klaren Überblick über die verschiedenen passenden Teile und Zubehörteile. Wenn Sie nach Ihren Teilen suchen, haben Sie immer passende Teile für Ihren Generic Roc red 2010 2-Takt.


