Technische Zeichnungen für Generic Xor schwarz 2007 2-Takt 25
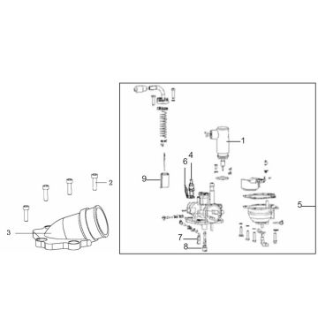
Klicken Sie hier auf die technischen Zeichnungen oder die Explosionszeichnung des Generic Xor black 2007 2-Takt-25-Rollers, für den Sie Teile oder Zubehör suchen. Die technischen Zeichnungen des Generic Xor black 2007 2-Takt 25 geben Ihnen einen klaren Überblick über die verschiedenen passenden Teile und Zubehörteile. Wenn Sie Ihre Teile suchen, haben Sie immer passende Teile für Ihren Generic Xor black 2007 2-Takt 25.


